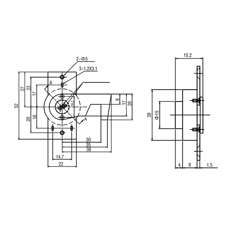
日立エレベータ制御システムの中核アクセサリの 1 つである日立コントロール ボックス ロックは、現代の高層ビルや高級物件向けに特別に設計されています。新しいコントロールボックスロックは、細部の処理と技術において大きな進歩を遂げました。暗号化技術と高強度素材で作られており、不法侵入や悪意のある損傷を効果的に防止し、エレベーター制御システムの安全性を確保します。ロック本体の構造と開錠方法を最適化することで、保守員による日常の点検・メンテナンス時の解錠・施錠がスムーズに行えます。
エレベーターのオイル カップは、エレベーターのメンテナンス システムにおいて小さいながらも重要なコンポーネントです。可動部品のスムーズな潤滑を確保し、摩擦を低減し、エレベーターのガイド レールと機械アセンブリの...
READ MOREエスカレーターは都市交通や公共建築物に欠かせない設備で、ショッピングモールや空港、地下鉄の駅などで広く使われています。エスカレーターのスムーズな動作は乗客の安全性と快適性に直接関係しており、エスカレーターのロー...
READ MOREエレベーターは現代の建物に欠かせない交通手段です。高層ビルやショッピングモール、住宅街などにおいて、エレベーターの安定稼働は居住者や利用者の生活の質に直結します。エレベーターの運転の中核コンポーネントの 1 つ...
READ MOREこれは、多くの不動産管理者、エレベーターの保守担当者、およびユーザーが遭遇する一般的な問題です。エレベーターの運転中に顕著な揺れ、ぐらつき、異音が発生した場合、乗り心地に影響を与えるだけでなく、安全上のリスクが...
READ MOREエスカレーターは都市、特にショッピングモール、駅、空港などの混雑した場所では欠かせない交通手段です。エスカレーターの重要な部品であるローラーは、スムーズな動作に重要な役割を果たしています。エスカレーターのローラ...
READ MOREの エレベーターオイルカップ エレベータガイドレール潤滑システムの中核コンポーネントです。その主な機能は、潤滑油を貯蔵および放出し、ガイド レールに継続的に潤滑を提供することです。長期間補充されな...
READ MORE